Ένας οργανισμός με ύψος 8 μέτρα που έζησε πριν από 400 εκατ. χρόνια δεν μοιάζει με τίποτε στη Γη
Οι πρωτοταξίτες (Prototaxites) δεν μπορούν να ταξινομηθούν σε κανέναν γνωστό κλάδο της ζωής
Loron et al., Science, 2025Για περισσότερα από 165 χρόνια, τα απολιθωμένα κατάλοιπα ενός μυστηριώδους οργανισμού με το όνομα πρωτοταξίτες (Prototaxites) αντιστέκονται σε κάθε προσπάθεια κατηγοριοποίησης.
Αυτοί οι «πύργοι» ύψους 8 μέτρων, που εμφανίστηκαν στη Γη πριν από περίπου 400 εκατομμύρια χρόνια, έχουν κατά καιρούς περιγραφεί ως δέντρα, άλγη ή μύκητες. Νέα μελέτη από ερευνητές στο Ηνωμένο Βασίλειο υποστηρίζει ότι υπάρχει ένας απλός λόγος για αυτή τη σύγχυση: οι Πρωτοτάξιτες δεν ανήκουν σε κανέναν γνωστό κλάδο της ζωής, αλλά σε έναν εντελώς ξεχωριστό, εξαφανισμένο μονοπάτι της εξέλιξης, αναφέρει το Science Alert.
Κατά την ύστερη Σιλούρια περίοδο, τα έλη της Γης φιλοξενούσαν ένα αλλόκοτο μείγμα από ιππουρίδες, φτέρες και πρώιμες μορφές βλάστησης που ελάχιστη σχέση έχουν με τα σύγχρονα οικοσυστήματα. Ανάμεσά τους υψώνονταν και αυτοί οι επιβλητικοί «πύργοι», χωρίς κλαδιά ή φύλλα.
Δέντρα ή γιγάντιοι μύκητες;
Τα πρώτα απολιθώματα βρέθηκαν τη δεκαετία του 1850 στις ακτές του κόλπου Γκασπέ στο Κεμπέκ του Καναδά. Ο γεωλόγος John William Dawson τα θεώρησε κατάλοιπα σαπισμένων δέντρων και τα βάφτισε «Prototaxites» από τις λέξεις «πρώτο» και «Taxaceae» (οικογένεια κωνοφόρων δέντρων). Το όνομα καθιερώθηκε, ωστόσο η αμφιβολία για την ταυτότητά τους συνεχίστηκε επί δεκαετίες.

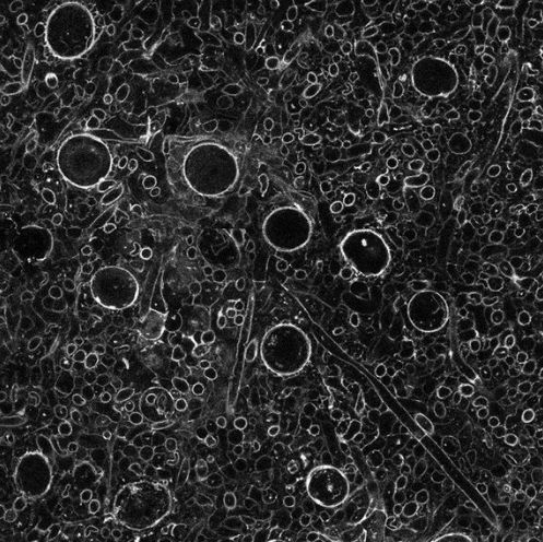
Μικροσκοπική σάρωση που αποκαλύπτει τη μικροδομή ενός απολιθώματος πρωτοταξίτη
Laura Cooper/BlueSkyΤο 2001 ο παλαιοντολόγος Francis Hueber πρότεινε ότι επρόκειτο πιθανότατα για έναν γιγαντιαίο μύκητα. Η άποψη αυτή ενισχύθηκε το 2017, όταν ανάλυση απολιθωμένου θραύσματος του είδους Prototaxites taiti εντόπισε υφές που θύμιζαν αναπαραγωγικές δομές σύγχρονων ασκομυκήτων. Ωστόσο, η ερμηνεία αυτή δεν έπεισε όλους τους επιστήμονες. Όπως σημειώνει ο παλαιοβοτανολόγος Alexander Hetherington του Πανεπιστημίου του Εδιμβούργου, μέλος της ερευνητικής ομάδας πίσω από τη νέα μελέτη για τους πρωτοταξίτες, τέτοιες δομές δεν απαντώνται στη γνωστή ανατομία των μυκήτων, ενώ δεν είναι καν βέβαιο ότι τα εξεταζόμενα θραύσματα ανήκαν στον ίδιο οργανισμό.
Μια παλαιοντολογική ανωμαλία
Σε νέα μελέτη, που δημοσιεύτηκε στο επιστημονικό περιοδικό Science, η ερευνητική ομάδα εξέτασε τρία διαφορετικά απολιθώματα P. taiti, αναλύοντας τη μικροσκοπική ανατομία και τη χημική σύσταση των σωληνωδών δομών τους και απέκλεισε κάθε πιθανή συγγένεια: δεν πρόκειται για μύκητα, λόγω της μοναδικής αρχιτεκτονικής του, ούτε για φυτό ή άλγη, εξαιτίας της χημικής του ταυτότητας. Ούτε καν ένας σύνθετος οργανισμός, όπως οι λειχήνες, ή κάποιο παράξενο ζώο θα μπορούσε να ταιριάξει με τα δεδομένα.
«Με βάση αυτή την έρευνα, δεν μπορούμε να εντάξουμε τους πρωτοταξίτες σε κανένα σύγχρονο εξελικτικό κλάδο, γεγονός που ενισχύει τη μοναδικότητά τους», σημείωσαν οι επιστήμονες.
Κατέληξαν στο συμπέρασμα ότι αποτελούν μέλη μιας άγνωστης και πλήρως εξαφανισμένης ευκαρυωτικής ομάδας. Το τι απέγινε αυτός ο παράξενος οργανισμός παραμένει άγνωστο. Ίσως μελλοντικές μελέτες τον επαναφέρουν στο βασίλειο των μυκήτων. Ίσως πάλι οι πρωτοταξίτες να παραμείνουν για πάντα μια παλαιοντολογική ανωμαλία, υπενθυμίζοντας ότι η εξέλιξη είναι ένα συνεχές πείραμα, γεμάτο με πολύ περισσότερες αποτυχίες από ό,τι έχουμε συνειδητοποιήσει.
ΣΧΕΤΙΚΕΣ ΕΙΔΗΣΕΙΣ
44 νέα είδη δεινοσαύρων ανακαλύφθηκαν το 2025 – Αυτά ήταν τα κορυφαία ευρήματα
Μισή σαύρα, μισό φίδι: Το μυστηριώδες πλάσμα 160 εκατ. ετών που αποκαλύφθηκε στη Σκωτία
Το μυστήριο «ανάποδου» απολιθώματος 444 εκατ. ετών – Το περίβλημα χάθηκε, τα σπλάχνα είναι άθικτα
«Εξωγήινο φυτό» που δεν ανήκει σε κανένα γνωστό είδος ανακάλυψαν ερευνητές
Το Telegram απορρίπτει τον ρωσικό ισχυρισμό ότι ξένοι κατάσκοποι διαβάζουν μηνύματα στρατιωτών
11:33
Νοσοκομείο Νίκαιας: Ένταση μεταξύ νοσηλευτών και αστυνομικών κατά την επίσκεψη Γεωργιάδη (pics & vid)
11:27
ΠΟΛΙΤΙΚΟ ΣΤΟΙΧΗΜΑ ΥΨΗΛΟΥ ΡΙΣΚΟΥ: Ιράν: Ώρα αποφάσεων για τον Τραμπ - Το παράθυρο ευκαιρίας και το ρίσκο της επόμενης ημέρας
11:20
Μητσοτάκης από «AI Impact Summit»: Το δημόσιο πρέπει να ενημερώσει άμεσα τα συστήματά του (vid)
11:18